穩壓二極管是一種特殊的半導體器件,其基本結構雖與普通二極管相似,擁有一個 PN 結,但由于獨特的制造工藝,在反向擊穿狀態下,PN 結不會遭受損壞。這一特性使得穩壓二極管在穩定電壓方面具有獨特的優勢。在工作時,穩壓二極管利用其反向擊穿特性實現穩壓功能。與普通二極管不同,當穩壓二極管承受的反向電壓達到穩壓值時,反向電流會急劇增大,但只要反向電流不超過允許的最大電流,它就能正常工作。其反向伏安特性曲線較陡,具有良好的線性度。
一、典型直流穩壓電路
穩壓二極管常用于構成直流穩壓電路。這種電路結構簡單,穩壓性能可靠。下圖展示了一種典型的直流穩壓電路。電路中,VD1 為穩壓二極管,R1 是其限流保護電阻。

工作時,未經穩定的直流工作電壓 +V 通過 R1 加到穩壓二極管上。由于 +V 遠大于 VD1 的穩壓值,VD1 進入工作狀態,兩端輸出穩定的直流電壓,作為穩壓電路的輸出電壓。

工作時,未經穩定的直流工作電壓 +V 通過 R1 加到穩壓二極管上。由于 +V 遠大于 VD1 的穩壓值,VD1 進入工作狀態,兩端輸出穩定的直流電壓,作為穩壓電路的輸出電壓。
二、串聯型穩壓電路
在串聯型穩壓電路中,穩壓二極管與晶體管等元件配合,提供更穩定的電壓輸出。下圖所示電路中,

晶體管 BG 的基極通過穩壓二極管 D 鉗定在 13V,從而確保發射極輸出恒定的 12V 電壓。這種電路在多種應用場景中廣泛使用,因其能有效提高電壓輸出的穩定性。

晶體管 BG 的基極通過穩壓二極管 D 鉗定在 13V,從而確保發射極輸出恒定的 12V 電壓。這種電路在多種應用場景中廣泛使用,因其能有效提高電壓輸出的穩定性。
三、溫度補償電路
溫度變化可能影響穩壓二極管的性能,因此溫度補償電路在高精度穩壓電路中至關重要。一種溫度補償電路利用互補型穩壓二極管實現溫度補償。下圖展示了這種電路。互補型穩壓二極管內部包含兩只普通穩壓二極管,它們的溫度特性相反。當溫度變化時,一只二極管的管壓降下降,另一只的管壓降升高,從而保持總管壓降不變,實現溫度補償。


四、電子濾波器電路
穩壓二極管在電子濾波器中也有應用。下圖所示為電子濾波器中的穩壓二極管應用電路。

電路中,VD1 是穩壓二極管,VT1 是電子濾波管,C1 是 VT1 基極濾波電容,R1 是 VT1 偏置電阻。穩壓二極管導通后,將 VT1 基極電壓穩定在 13V。利用三極管發射結導通后的結電壓基本不變的特性,VT1 發射極輸出穩定的直流電壓,實現穩定直流輸出電壓的目的。

電路中,VD1 是穩壓二極管,VT1 是電子濾波管,C1 是 VT1 基極濾波電容,R1 是 VT1 偏置電阻。穩壓二極管導通后,將 VT1 基極電壓穩定在 13V。利用三極管發射結導通后的結電壓基本不變的特性,VT1 發射極輸出穩定的直流電壓,實現穩定直流輸出電壓的目的。
五、浪涌保護電路
穩壓二極管可用于構成浪涌保護電路,保護負載免受電壓浪涌的損害。下圖展示了一種浪涌保護電路。

電路中,K1 是繼電器,VD1 是穩壓二極管,R1 是限流保護電阻,RL 是負載電阻。工作時,當工作電壓 +V 出現浪涌,電壓升高使 VD1 導通,電流流過繼電器 K1,促使其觸點斷開,切斷負載 RL 的供電,達到保護目的。

電路中,K1 是繼電器,VD1 是穩壓二極管,R1 是限流保護電阻,RL 是負載電阻。工作時,當工作電壓 +V 出現浪涌,電壓升高使 VD1 導通,電流流過繼電器 K1,促使其觸點斷開,切斷負載 RL 的供電,達到保護目的。
六、過壓保護電路
穩壓二極管在過壓保護電路中也有廣泛應用。下圖所示為一種過壓保護電路,這是在電視機中的具體應用實例。

電路中,VD1 是穩壓二極管,VT1 是控制管,+115V 是主工作電壓。電阻 R1 和 R2 構成分壓電路,分壓后的電壓通過穩壓二極管加到 VT1 基極。當 +115V 電壓正常時,分壓后的電壓不足以使 VD1 導通,VT1 截止,電視機正常工作。而當 +115V 過高時,VD1 導通,VT1 飽和導通,其集電極為低電平,觸發待機保護電路,使電視機進入待機狀態。

電路中,VD1 是穩壓二極管,VT1 是控制管,+115V 是主工作電壓。電阻 R1 和 R2 構成分壓電路,分壓后的電壓通過穩壓二極管加到 VT1 基極。當 +115V 電壓正常時,分壓后的電壓不足以使 VD1 導通,VT1 截止,電視機正常工作。而當 +115V 過高時,VD1 導通,VT1 飽和導通,其集電極為低電平,觸發待機保護電路,使電視機進入待機狀態。
七、限幅電路
穩壓二極管還可用于構成限幅電路,限制信號幅度。下圖展示了一種限幅電路。

電路中,A1 和 A2 是集成電路,VD1 和 VD2 是穩壓二極管。集成電路 A1 的①腳輸出信號通過 R1 加到集成電路 A2 的①腳。當輸出信號幅度未超過 VD1 穩壓值時,信號完整傳輸至 A2 的①腳;當輸出信號幅度超過 VD1 穩壓值時,VD1 導通,限制信號幅度最大值,實現限幅功能。

電路中,A1 和 A2 是集成電路,VD1 和 VD2 是穩壓二極管。集成電路 A1 的①腳輸出信號通過 R1 加到集成電路 A2 的①腳。當輸出信號幅度未超過 VD1 穩壓值時,信號完整傳輸至 A2 的①腳;當輸出信號幅度超過 VD1 穩壓值時,VD1 導通,限制信號幅度最大值,實現限幅功能。
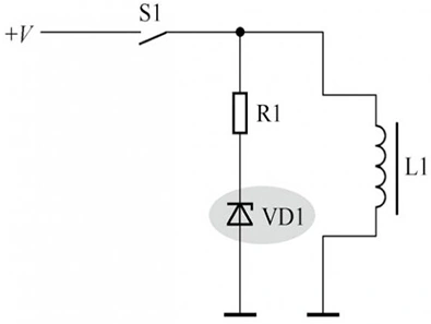
八、電弧抑制電路
在功率較大的電磁吸鐵控制電路中,穩壓二極管可用于構成電弧抑制電路。下圖所示為電弧抑制電路。

電路中,VD1 是穩壓二極管,L1 是電感,R1 是限流保護電阻,S1 是電源開關。當電源開關 S1 從接通轉為斷開時,電感 L1 兩端產生很大的反向電動勢。該電動勢通過 R1 加到 VD1 兩端,使其導通,釋放反向電動勢能量,避免開關 S1 產生電弧,實現消弧目的。

電路中,VD1 是穩壓二極管,L1 是電感,R1 是限流保護電阻,S1 是電源開關。當電源開關 S1 從接通轉為斷開時,電感 L1 兩端產生很大的反向電動勢。該電動勢通過 R1 加到 VD1 兩端,使其導通,釋放反向電動勢能量,避免開關 S1 產生電弧,實現消弧目的。
穩壓二極管作為一種特殊的半導體器件,在電子電路中具有廣泛的應用。通過深入理解其特性,并合理設計電路,可以充分發揮其穩壓、保護等功能,提高電子設備的性能和可靠性。
〈烜芯微/XXW〉專業制造二極管,三極管,MOS管,橋堆等,20年,工廠直銷省20%,上萬家電路電器生產企業選用,專業的工程師幫您穩定好每一批產品,如果您有遇到什么需要幫助解決的,可以直接聯系下方的聯系號碼或加QQ/微信,由我們的銷售經理給您精準的報價以及產品介紹
〈烜芯微/XXW〉專業制造二極管,三極管,MOS管,橋堆等,20年,工廠直銷省20%,上萬家電路電器生產企業選用,專業的工程師幫您穩定好每一批產品,如果您有遇到什么需要幫助解決的,可以直接聯系下方的聯系號碼或加QQ/微信,由我們的銷售經理給您精準的報價以及產品介紹
聯系號碼:18923864027(同微信)
QQ:709211280

